32+ Gambar Rangkaian Listrik Campuran Ditunjukkan Pada Gambar Gif

32+ Gambar Rangkaian Listrik Campuran Ditunjukkan Pada Gambar
Gif
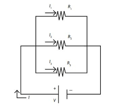
. Merupakan rangkian campuran antara seri dan paralel. Soal un ipa fisika 2016 perhatikan gambar rangkaian berikut!

Pada Rangkaian Paralel Sumber Listriknya Disusun Secara
Pada Rangkaian Paralel Sumber Listriknya Disusun Secara from belajarmandiriyuk.com
Rangkaian sederhana dapat menjadi alat peraga listrik dasar yang bagus, dan sarana eksperimen listrik di rumah. Pada rangkaian tersebut terdapat komponenkomponen b. Menggunakan rumus pembagi arus dan tegangan.

Listrik mengalir melalui kabel dan sakelar berfungsi untuk memutus atau menyambungkan aliran listrik.

Bila r1, = 6 ω, r2 = r3 = 2 ω, dan beda potensial 14 volt, maka besar kuat arus yang mengalir adalah… kuat listrik yang mengalir pada rangkaian perhatikan gambar rangkaian listrik tertutup di samping ini! 13 menunjukkan rangkaian percobaan proteksi arus lebih. Lihat gambar dibawah dan tentukan: Baterai dirangkai secara seri, sedangkan saklar dan.


LihatTutupKomentar